1.确定工艺方案及工艺路线


(2)确定加工方法和加工路线。
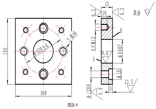
加工时按先面后孔,先粗后精的原则。B面用端铣刀铣削加工,安排粗铣和精铣各一次。φ60H7孔采用三次镗削加工,分粗镗、半精镗、和精镗三道工序进行。 φ12H8孔按钻、扩、铰方式加工。Φ16孔在φ12孔基础上再增加锪孔工序。螺纹孔采用钻孔后攻螺纹的方法加工。螺纹孔和阶梯孔在钻孔前都安排打中心孔工序,螺纹倒角用钻头倒角。工艺参数见表3-4。
铣削平面时选用大于工件边长1/2的铣刀盘(Φ100mm的端面铣刀),尽量缩短走刀路线。
(3)选择切削用量。可根据有关手册查出所需的切削用量,见表3-4.
表3-4 端盖工艺规程
| 工序 | 工序内容 | 刀具号 | 刀具规格 | S(r/min) | F(mm/min) |
| 1 | 粗铣B平面留余量0.5 | T01 | Φ100mm端铣刀 | 300 | 70 |
| 2 | 精铣B平面至尺寸 | T13 | Φ100mm端铣刀 | 350 | 50 |
| 3 | 粗镗φ60H7孔至φ58 | T02 | 镗刀 | 400 | 60 |
| 4 | 半精镗φ60H7至φ59.95 | T03 | 镗刀 | 450 | 50 |
| 5 | 精镗φ60H7至尺寸 | T04 | 精镗刀 | 500 | 40 |
| 6 | 钻2×φ12H8及2×M16中心孔 | T05 | Φ3中心钻 | 1000 | 50 |
| 7 | 钻2×φ12H8至φ10 | T06 | Φ10钻头 | 600 | 60 |
| 8 | 扩2×φ12H8至φ11.85 | T07 | Φ11.85扩孔钻 | 300 | 40 |
| 9 | 锪2×φ16至尺寸 | T08 | Φ16阶梯铣刀 | 150 | 30 |
| 10 | 铰2×φ12H8至尺寸 | T09 | Φ12H8铰刀 | 100 | 100 |
| 11 | 钻2×M16底孔至φ14 | T10 | Φ14钻头 | 450 | 60 |
| 12 | 倒2×M16底孔端角 | T11 | Φ18钻头 | 300 | 60 |
| 13 | 攻2×M16螺纹孔 | T12 | M16机用丝锥 | 100 | 200 |
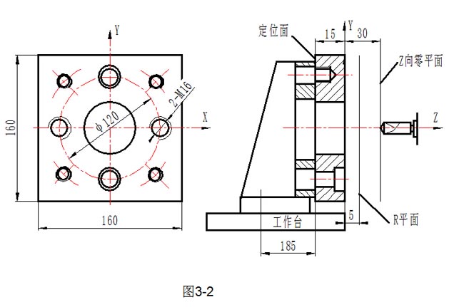
(1)选择φ60H7孔为X、Y坐标系原点,距离B面30mm处为工件坐标系Z0(初始)平面,距离B面5mm处为R点平面,如图3-2所示。
(2)计算刀具轨迹的坐标参考图3-1。
(3)按工艺路线和坐标尺寸编制加工程序。
3.加工程序
G54
G28 Y50. M06 T01
G90 G00 X0 Y0
X-135. Y45.
S300 M03
G43 Z-29.5 H01
G01 X75. F70(粗铣平面加工)
Y-45.
X-135.
G00 G49 Z0 M05
G28Y50 M06 T13(换精铣刀)
G00 X0 Y0
X-135. Y45.
G43 Z-30. H13 S350 M03
G01 X75. F50(精铣平面加工)
Y-45.
X-135.
G00 G49 Z0 M05
G28 Y50. M06 T02(换粗镗刀)
G00 X0 Y0
G43 Z0 H02 S400 M03
G98 G81 Z-52. R-25.F60(粗镗φ60H7孔)
G00 G49 Z0 M05
G28 Y50. M06 T03(换半精镗刀)
G43 Z0 H03 S450 M03
G98 G81 Z-52.R-25.F50(半精镗φ60H7孔)
G00 G49 Z0 M05
G28 Y50. M06 T04 (换精镗刀)
G43 Z0 H04 S500 M03
G98 G76 Z-52. R-25.Q0.2 P200 F40(精镗φ60H7孔)
G00 G49 Z0 M05
G28 Y50. M06 T05(换中心钻)
X0 Y60.
G43 Z0 H05 S1000 M03
G99 G91 Z-35. R-25. F50
X60. Y0
X0 Y-60.
X0. Y-60
G00 G49 Z0 M05
G28 Y50. M06 T06(换φ10钻头)
X0. Y60
G43 Z0 H06 S600 M03
G99 G81 Z-50. R-25. F60
Y-60.
G00 G49 Z0 M05
G28 Y50. M06 T07(换φ11.85扩孔钻)
X0. Y-60
G43 Z0 H07 S300 M03
G99 G81 Z-50. R-25 F40
Y60.
G00 G49 Z0 M05
G28 Y50. M06 T08(换阶梯孔铣刀)
X0. Y-60
G43 Z0 H08 S150 M03
G99 G82 Z-35. R-25. P2000 F60
Y60.
G00 G49 Z0 M05
G28 Y50. M06 T09(换铰刀)
X0. Y-60
G43 Z0 H09 S100 M03
G99 G86 Z-70. R-25. F100
Y60.
G00 G49 Z0 M05
G28 Y50. M06 T10(换φ14钻头)
X60 Y0.
G43 Z0 H10 S450 M03
G99 G81 Z-50. R-25. F60
X-60.
G00 G49 Z0 M05
G28 Y50. M06 T11(换倒角钻头)
X60 Y0.
G43 Z0 H11 S300 M03
G99 G82 Z-35. R-25. P1000 F60
X-60.
G00 G49 Z0 M05
G28 Y50. M06 T12(换丝锥)
X60 Y0.
G43 Z0 H12 S100 M03
G99 G84 Z-60. R-25. F200
X-60.
G00 G49 Z0 M05
X0 Y0
M30


